Lavatory Sink
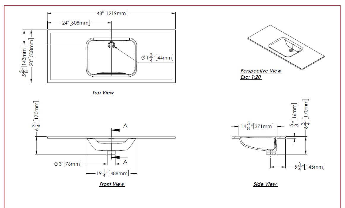
VELXS 48C
ELEMENT RAFFINÉ COLLECTION
IN: 48 X 20 X 1
/MM: 1219 X 508 X 16
WETMAR BiOâ„¢ is an eco-friendly thermo-insulating composite material composed of soy and mineral stone.
Design: Wetstyle Design Lab
Keyword: Scandinavian
Merging seamlessly with the surrounding countertop, the VELXS 48C semi-recessed sink embodies balance and simplicity; a single, gently curved washbasin is centered within clean, rectangular lines.
Crafted from WETMAR BiO composite material, this sink combines ecological responsibility with timeless design. Available in a True High Gloss or Matte White finish, the VELXS 48C allows for deck-mounted faucet installation. An overflow can be added if desired, with finishes available in polished chrome, brushed nickel, matte black, satin brass, or with no metal trim.
Your dream bathroom awaits – discover the Element Collection.
Recipient of:
Features
Handcrafted in Montreal, Canada
- Installation type: extra-slim recessed
- Available with or without overflow
- Overflow trim finish options: polished chrome, brushed nickel, matte black, satin brass or no metallic trim
- Faucet hole options: 1 hole (for mono faucet), 3 holes (for widespread faucet) or no hole (for wall-mounted faucet)





